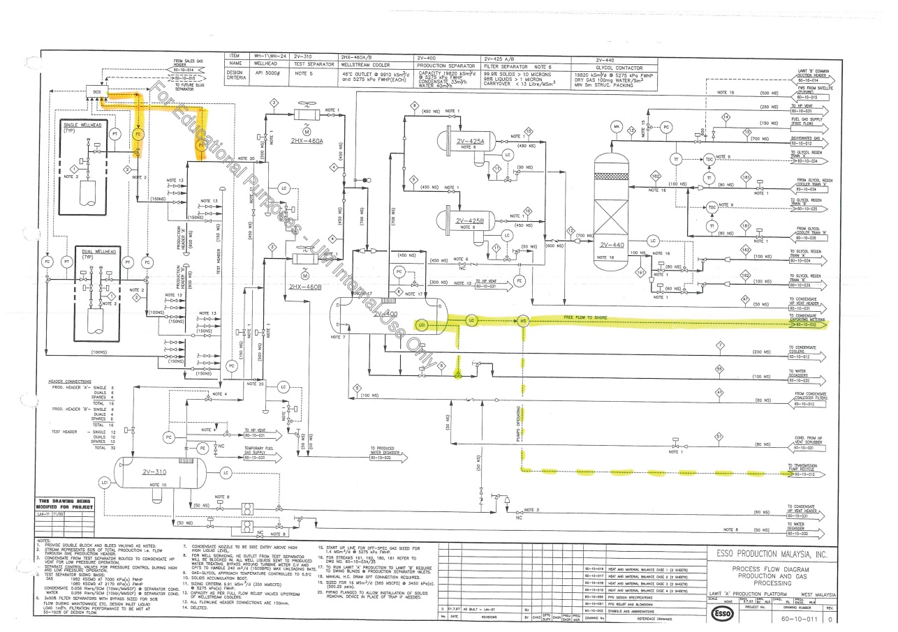
Sample PFD Control Loop 1
Sample PFD Control Loop 2